450 m2
Caratteristiche principali
Codice
V001969
Prezzo
300.000 EUR
Classe
NA
Locali
1
Altre caratteristiche e accessori
Posizione
Periferia
Panorama
Vista Aperta
Oneri Urbanizzazione
No
Stato terreno
Con progetto approvato
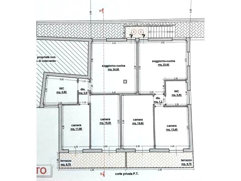
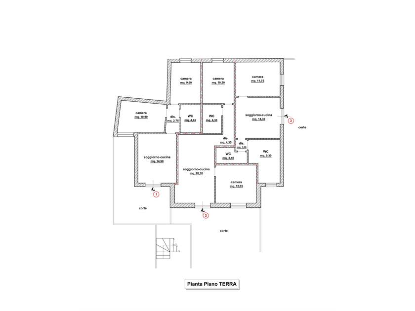
Proponiamo la vendita di un magazzino artigianale, con progetto per la realizzazione di un massimo di sei Appartamenti tramite ampliamento e cambio di destinazione d’uso del fabbricato esistente.

Il Magazzino si trova in una zona residenziale caratterizzata dalla presenza di ville unifamiliari, in una posizione strategica che coniuga tranquillità e vicinanza ai servizi.

Il progetto si articola in due versioni (come da planimetrie a corredo dell'annuncio):

Versione 1: Prevede la realizzazione di sei unità immobiliari, con tre trilocali al piano terra – ciascuno con la propria corte di proprietà – e tre unità al piano primo dotate di balconi.

Versione 2: Prevede la realizzazione di quattro unità immobiliari (due per piano) di trilocali con metratura maggiore rispetto alla versione precedente.

Attualmente, il volume del fabbricato è di 848,88 mc, che con l’ampliamento previsto aumenteranno a 933,36 mc. Gli oneri comunali sono da corrispondere.
Via Nostra Signora delle Grazie , Ceriale (SV)
Cookie preference